GB/T 34544-2017《小型燃料電池車用低壓儲氫裝置安全試驗方法》(以下簡稱“本標準”)在2017年10月14日發布,2018年5月1日實施。本標準規定了小型燃料電池車用低壓儲氫裝置(以下簡稱“低壓儲氫裝置”)的試驗條件和試驗方法,旨在確保儲氫裝置在各種工況下的安全性和可靠性。

通過對本標準的梳理,低壓儲氫裝置共需開展包括氣密性試驗、氫氣循環試驗等在內共計10種試驗,每種試驗均涉及詳細的試驗要求、試驗程序及合格指標,詳見下圖:

下面重點介紹低壓儲氫裝置涉及氫氣檢測的跌落試驗、高溫試驗、氫氣循環試驗的詳細信息。
— 01 —
跌落試驗
1.1試驗目的
1)確保儲氫裝置在受到跌落沖擊時,不會發生破裂、泄漏或其他形式的損壞,從而避免氫氣的泄漏和潛在的安全風險;
2)驗證儲氫裝置的設計和制造是否能夠承受在運輸、安裝或使用過程中可能遇到的跌落沖擊;
3)評估跌落事件對儲氫裝置內部壓力調節系統、安全閥等安全相關部件的影響;
4)通過模擬實際使用中可能發生的跌落情況,確保儲氫裝置在各種條件下都能保持其安全性能。
1.2試驗方法

注:
a) 垂直跌落:帶有截止閥和超壓泄放裝置的端部向下垂直跌落時,初始位置的最低點高度不小于1.8m;
b) 夾角為45°角跌落時:其重心高度不小于1.8m,并使帶有截止閥和超壓泄放裝置的端部先跌落;若裝置初始位置的最低點高度小于0.6m,則調整跌落角度以確保裝置初始位置的最低點和裝置重心的高度分別不小于0.6m和1.8m;若裝置兩端均裝配有截止閥、超壓泄放裝置等附件,則裝置仍以45°角跌落并使其抗撞擊能力較弱的端部先跌落;
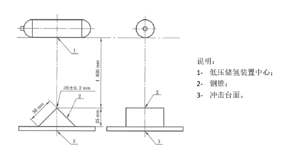
c) 水平跌落:低壓儲氫裝置以1.8m的高度,水平跌落于鋼錐上時,應使其重心與鋼錐頂點的連線與沖擊臺面垂直(見下圖)。鋼錐固定于沖擊臺面上,其尺寸應符合下圖的規定。裝置在撞擊沖擊臺面前應先撞擊鋼錐。

低壓儲氫裝置的水平跌落位置
1.3合格指標
低壓儲氫裝置的截止閥和超壓泄放裝置在跌落試驗后能正常啟閉。
氣密性試驗結果,采用氦氣質譜儀檢漏法檢漏時,泄漏率≤7.6×10-5Pa?m3/s。
— 02 —
高溫試驗
2.1試驗目的
1)評估高溫下裝置性能,包括熱穩定性、密封性和結構完整;
2)確保裝置在極端溫度下的安全性,防止泄漏、爆炸等風險;
3)驗證設計與制造符合安全標準。
2.2 試驗方法
將低壓儲氫裝置靜置于試驗箱內升溫至規定試驗溫度,當低壓儲氫裝置的溫度達到規定試驗溫度時開始計時,保溫4h后取出并恢復至常溫。
按氦氣質譜儀檢漏法進行氣密性試驗。
2.3 合格指標
高溫靜置試驗后,低壓儲氫裝置的外殼不發生變形。
氣密性試驗結果,采用氦氣質譜儀檢漏法檢漏時,泄漏率≤7.6×10-5Pa?m3/s。
— 03 —
氫氣循環試驗
3.1 試驗目的
1)評估儲氫裝置的耐久性:通過模擬實際使用過程中的氫氣充放循環,評估儲氫裝置在長時間使用下的性能穩定性和耐久性。這對于確保儲氫裝置在燃料電池汽車中的長期可靠運行至關重要;
2)驗證儲氫裝置的安全性:氫氣循環試驗可以檢測儲氫裝置在反復充放過程中是否存在泄漏、變形、破裂等安全隱患。這對于保障燃料電池汽車在運行過程中的安全性具有重要意義;
3)優化儲氫裝置的設計:通過氫氣循環試驗的數據分析,可以識別儲氫裝置在設計和制造過程中可能存在的問題,為后續的改進和優化提供依據。這有助于不斷提升儲氫裝置的性能指標,滿足更高的使用要求。
3.2 試驗方法
3.2.1 初始振動試驗

3.2.2 氣密性檢查
安裝與檢測:完成振動試驗后,安裝應變測試裝置并連接管路,對連接接頭按規定進行氣密性檢查,確保無泄漏。
3.2.3 氫氣循環過程

3.2.4 最終氣密性試驗
再次檢查:氫氣循環試驗完成后,需再次按初始振動試驗前的規定進行氣密性試驗,以確保儲氫裝置在經歷循環試驗后仍然保持良好的氣密性。
3.3 合格指標
實測最大應變不超過許用設計應力下應變的50%,或者最大應變無增長趨勢,且氣密性試驗泄漏率≤7.6×10-5Pa·m3/s。
GB/T 34544-2017標準的發布和實施,為小型燃料電池車用低壓儲氫裝置的安全性能評估提供了統一的規范,有助于推動燃料電池汽車產業的標準化進程,提高產品的安全性和可靠性,也促進了儲氫裝置技術的研發和創新,鼓勵企業不斷提升產品質量和技術水平,以滿足日益嚴格的安全要求。